8 (925) 663-83-63Call-центр
пн-вс: 10:00-19:00
| N | Артикул | Название | Срок отгрузки | Цена | Купить |
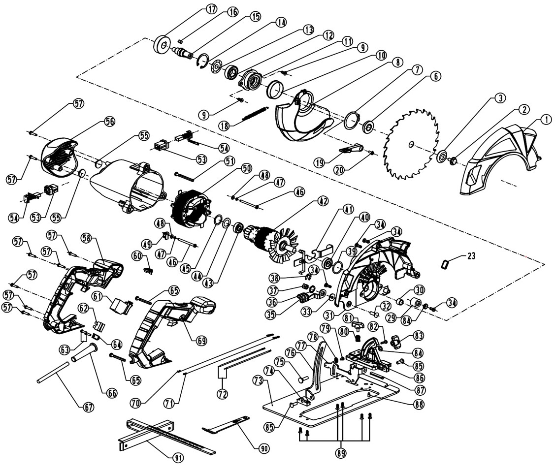
| 1 | 1806.010000 | Кожух защитный верхний | – | ||
| 2 | 1806.010100 | Винт | – | ||
| 3 | 1806.010200 | Шайба | – | ||
| 6 | 1806.010400 | Фланец прижимной внутренний | – | ||
| 7 | 1806.010500 | Кольцо стопорное | – | ||
| 8 | 1806.010600 | Кожух защитный подвижный | – | ||
| 9 | 1806.005300 | Винт | – | ||
| 10 | 1806.010700 | втулка | 7 р. | ||
| 11 | 1806.010800 | крышка подшипника | 184 р. | ||
| 12 | 1804.035000 | Подшипник шариковый 6003-RS | – | ||
| 12 | 5001.000101 | Подшипник 6003RS, 17х35х10 | 135 р. | ||
| 13 | 1806.010900 | шайба пружинная | 5 р. | ||
| 14 | 1804.035200 | Кольцо стопорное | – | ||
| 15 | 1806.011000 | Шпиндель | – | ||
| 16 | 1806.005100 | шпонка | 5 р. | ||
| 17 | 1806.011100 | шестерня | 321 р. | ||
| 18 | 1806.011200 | Пружина | – | ||
| 19 | 1806.011300 | Рычаг кожуха защитного подвижного | – | ||
| 23 | 1806.011400 | Линза | – | ||
| 29 | 1806.006100 | Ограничитель кожуха защитного подвижного | – | ||
| 30 | 1806.004500 | Подшипник скольжения | – | ||
| 31 | 1806.011500 | Корпус редуктора | – | ||
| 32 | 1806.011600 | Винт | – | ||
| 33 | 1806.003100 | Шайба | – | ||
| 34 | 1806.011700 | Винт | – | ||
| 35 | 1806.011800 | Рычаг фиксатора глубины погружения диска | – | ||
| 36 | 1806.011900 | Шайба фасонная | – | ||
| 37 | 1806.003000 | Гайка | – | ||
| 38 | 1806.002700 | Кольцо стопорное | – | ||
| 39 | 1804.038500 | Кольцо уплотнительное | – | ||
| 40 | 1804.035700 | Подшипник шариковый 6001-RS | – | ||
| 41 | 1806.012000 | Рычаг фиксатора шпинделя | – | ||
| 42 | 1806.012100 | Ротор | – | ||
| 43 | 5001.004600 | Подшипник шариковый 629-Z | 135 р. | ||
| 43 | 0802.073700 | Подшипник шариковый 629-Z | – | ||
| 44 | 1806.012200 | Шайба | – | ||
| 45 | 1806.012300 | Пружина | – | ||
| 46 | 1806.012400 | Винт | – | ||
| 47 | 1806.001000 | Шайба пружинная | – | ||
| 48 | 1806.001100 | Шайба | – | ||
| 49 | 1806.012500 | Зажим провода | – | ||
| 50 | 1806.012600 | статор | 1.008 р. | ||
| 51 | 1806.012700 | Винт | – | ||
| 52 | 1806.012800 | Корпус эл. двигателя | – | ||
| 53 | 1806.012900 | Щеткодержатель | – | ||
| 54 | 1806.013000 | Щетка угольная (комплект 2 шт) | – | ||
| 55 | 1806.013100 | Подушка (резиновая) | – | ||
| 56 | 1806.013200 | Крышка корпуса эл. двигателя | – | ||
| 57 | 1803.004100 | Винт самонарезающий ST4,2х19 мм | – | ||
| 58 | 1806.013300 | Рукоятка (левая) | – | ||
| 60 | 1806.013400 | Крышка щетки угольной | – | ||
| 61 | 1806.013500 | выключатель | 150 р. | ||
| 62 | 1806.013600 | Коннектор | – | ||
| 63 | 1806.013700 | Винт самонарезающий | – | ||
| 64 | 1806.013800 | Зажим провода | – | ||
| 65 | 1806.013900 | Винт | – | ||
| 66 | 1806.014000 | Изолятор кабеля сетевого | – | ||
| 67 | 1803.005600 | Кабель сетевой в сборе с вилкой H05RN-F 2х0,75 мм2, L.4100 мм | 622 р. | ||
| 69 | 1806.014100 | Рукоятка (правая) | – | ||
| 70 | 1806.014200 | Провод (2) | – | ||
| 71 | 1806.014300 | Провод (1) | – | ||
| 72 | 1806.014400 | Провод в сборе | – | ||
| 73 | 1806.014500 | Основание | – | ||
| 74 | 1806.014600 | Суппорт основания | – | ||
| 75 | 1806.014700 | Болт | – | ||
| 76 | 1806.014800 | Суппорт направляющий | – | ||
| 77 | 1806.014900 | Суппорт основания передний | – | ||
| 78 | 1806.015000 | Указатель шкалы | – | ||
| 79 | 1803.013600 | Винт | – | ||
| 80 | 1806.003800 | Пружина | – | ||
| 81 | 1806.003700 | Винт барашковый | – | ||
| 82 | 1806.000300 | Винт | – | ||
| 83 | 1806.003900 | Гайка барашковая | – | ||
| 84 | 1806.004000 | Шайба | – | ||
| 85 | 1806.015100 | Заклепка | – | ||
| 86 | 1806.015200 | Указатель шкалы | – | ||
| 87 | 1806.004600 | Штифт | – | ||
| 88 | 1806.015300 | Винт с головкой внутр. шестигранной | – | ||
| 89 | 1806.015400 | Винт | – | ||
| 90 | 1806.015500 | Ключ | – | ||
| 91 | 1806.015600 | Линейка параллельная | – |
| Найдено товаров: 81 |
|
8 (925) 663-83-63 Call-центр
пн-вс: 10:00-19:00
| Введите номер заказа |
| Введите номер своего заказа, что бы узнать его текущий статус. Что бы получить доступ к расширенным функциям, пройдите не сложную регистрацию. Зарегистрироваться |