8 (925) 663-83-63Call-центр
пн-вс: 10:00-19:00
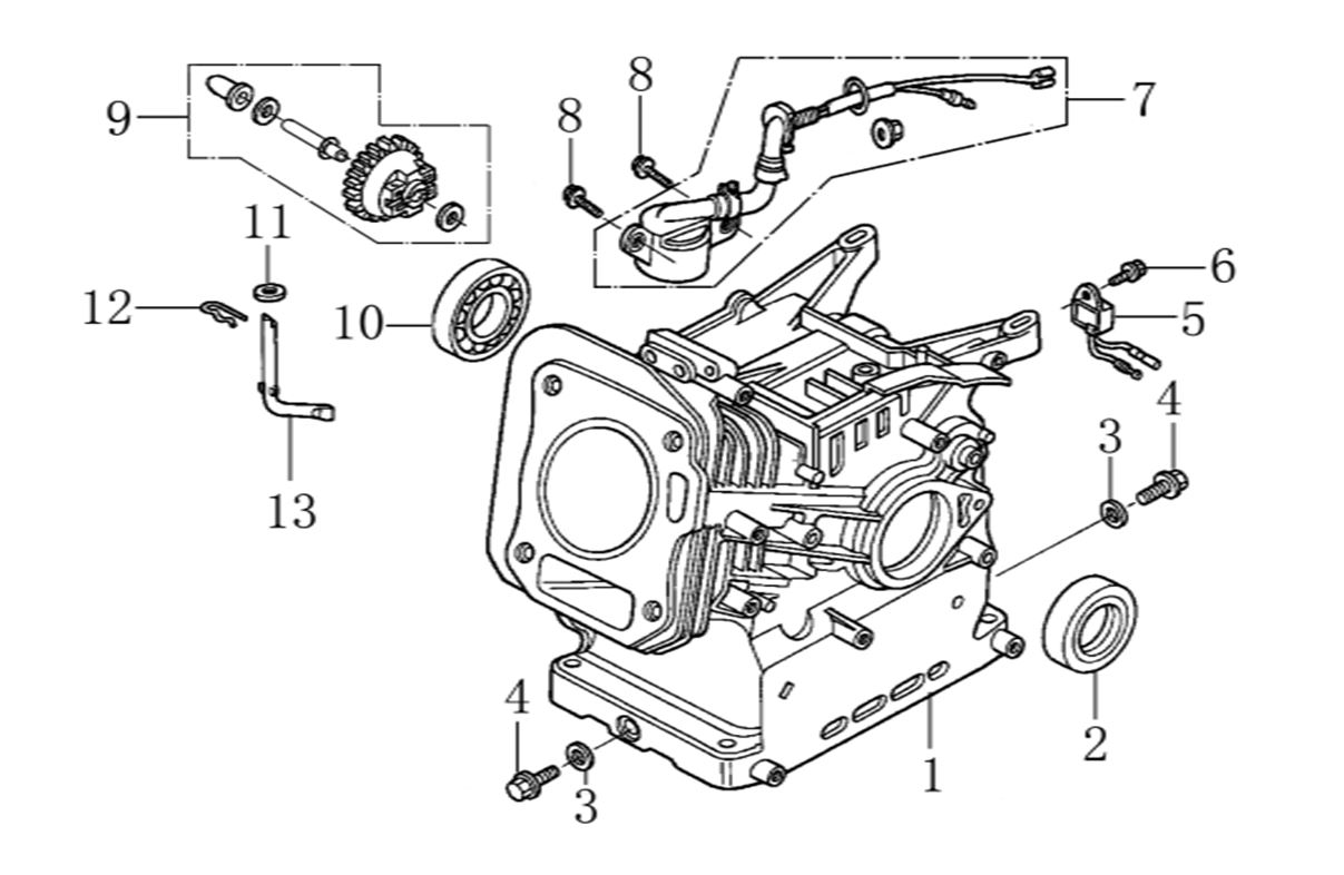
| N | Артикул | Название | Срок отгрузки | Цена | Купить |
| 1 | 0200.020900 | Цилиндр-картер | – | ||
| 2 | 0200.022300 | Сальник 25х41,25х6 мм | 481 р. | ||
| 3 | 0200.022000 | Шайба уплотнительная 10х16х1,5 мм | – | ||
| 4 | 0104.010900 | Болт-сливная пробка М10х15 | – | ||
| 5 | 0101.052500 | Датчик уровня масла | 240 р. | ||
| 6 | 0200.021500 | Болт фланцевый M6 | – | ||
| 7 | 0200.021100 | Датчик уровня масла (в картере) | – | ||
| 8 | 0200.021500 | Болт фланцевый M6 | – | ||
| 9 | 0200.021400 | Регулятор оборотов центробежный в сборе | 471 р. | ||
| 10 | 5001.001000 | Подшипник 6205/P, 25х52х15 | 513 р. | ||
| 10 | 0200.022200 | Подшипник шариковый 6205 | – | ||
| 11 | 0200.022600 | Шайба плоская 6х13х1 мм | – | ||
| 12 | 0200.022700 | Шплинт | – | ||
| 13 | 0200.021700 | Вал рычага регулятора оборотов | – |
| Найдено товаров: 14 |
|
8 (925) 663-83-63 Call-центр
пн-вс: 10:00-19:00
| Введите номер заказа |
| Введите номер своего заказа, что бы узнать его текущий статус. Что бы получить доступ к расширенным функциям, пройдите не сложную регистрацию. Зарегистрироваться |