Магазин запчастей для бытовой техники - Arlos
Москва
close
Выберите ваш регион
АбаканАлександровАльметьевскАнгарскАрзамасАрмавирАртемАрхангельскАстраханьАчинскБалаковоБалашихаБеларусьБелгородБердскБерезникиБийскБлаговещенскБратскБрянскВеликий НовгородВидноеВладивостокВладикавказВладимирВолгоградВолгодонскВолжскийВологдаВолховВоркутаВоронежВоскресенскВыборгГатчинаГеленджикГрозныйДедовскДербентДзержинскДзержинскийДимитровградДмитровДолгопрудныйДомодедовоДонецкЕвпаторияЕгорьевскЕкатеринбургЕлецЕссентукиЖелезногорскЖелезнодорожныйЖуковскийЗеленоградЗлатоустИвановоИвантеевкаИжевскИркутскИстраЙошкар-ОлаКазаньКалининградКалугаКаменск-УральскийКамышинКаспийскКемеровоКерчьКировКисловодскКлинКовровКоломнаКомсомольск-на-АмуреКопейскКоролёвКостромаКотельникиКрасногорскКраснодарКраснознаменскКрасноярскКурганКурскКызылЛенинск-КузнецкийЛипецкЛобняЛыткариноЛюберцыМагнитогорскМайкопМалаховкаМахачкалаМиассМоскваМурманскМуромМытищиНабережные ЧелныНазраньНальчикНаро-ФоминскНахабиноНаходкаНевинномысскНефтекамскНефтеюганскНижневартовскНижнекамскНижний НовгородНижний ТагилНовокузнецкНовокуйбышевскНовомосковскНовороссийскНовосибирскНовоуральскНовочебоксарскНовочеркасскНовошахтинскНовый УренгойНогинскНорильскНоябрьскОбнинскОдинцовоОктябрьскийОмскОрелОренбургОрехово-ЗуевоОрскПавловский ПосадПензаПервоуральскПермьПетрозаводскПетропавловск-КамчатскийПодольскПрокопьевскПсковПушкиноПятигорскРаменскоеРеутовРостов-на-ДонуРубцовскРыбинскРязаньСакиСалаватСамараСанкт-ПетербургСаранскСаратовСевастопольСеверодвинскСеверскСергиев ПосадСерпуховСимферопольСмоленскСосновый БорСочиСтавропольСтарый ОсколСтерлитамакСтупиноСургутСызраньСыктывкарТаганрогТамбовТверьТихвинТольяттиТомилиноТомскТроицкТулаТюменьУлан-УдэУльяновскУссурийскУсть-ИлимскУфаУхтаФеодосияФрязиноХабаровскХанты-МансийскХасавюртХимкиЧебоксарыЧелябинскЧереповецЧеркесскЧеховЧитаШахтыЩелковоЭлектростальЭлистаЭнгельсЮжно-СахалинскЯкутскЯлтаЯрославль
  • - бесплатно по РФ
    Автоперезвон. Работает по принципу: Вы позвонили на номер, мы сбрасываем звонок и перезваниваем через 3 секунды.
  • - по Москве
  • 8 (925) 663-83-63

Call-центр

пн-вс: 10:00-19:00

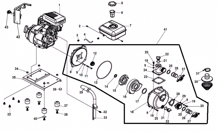
1 КОРПУС ПОМПЫ - САЛЬНИК - КРЫЛЬЧАТКА - УЛИТКА МОТОПОМПА CHAMPION GP40

NАртикулНазваниеСрок отгрузкиЦенаКупить
1 012010000055 Двигатель UP154
2 511130601601 Болт М6х16
3 029019900405 Хомут шланга
4 029019900100 Шланг топливный 174 р.
5 DA02P022 Крышка топливного бака 111 р.
6 012020003600 Фильтр вставка топливного бака 39 р.
7 012010003741 Бак топливный 1.252 р.
8 039010100100 Крышка насоса сторона двигателя 3.500 р.
9 513010800001 Шайба 8
10 513010800099 Шайба
11 511070806005 Болт М8х60
12 039010110100 Сальник крыльчатки механический 376 р.
13 039010100500 Кольцо уплотнительное корпуса помпы 100 р.
14 039010110200 Сальник крыльчатки керамический 442 р.
15 039010100700 Крыльчатка 844 р.
16 039010100800 Корпус крыльчатки 1.337 р.
17 039010100900 Кольцо уплотнительное корпуса 247 р.
18 039010101000 Корпус помпы сторона фланцев 3.208 р.
19 513020800002 Шайба 8
20 511010802503 Болт М8х25
21 039090101000 Кольцо уплотнительное пробки сливной 72 р.
22 660240001-0001 Пробка сливная/заливная 37 р.
23 039010101800 Прокладка фланца выпускного 193 р.
24 039010101900 Фланец помпы выходной 766 р.
25 039010102000 Кольцо уплотнительное патрубка 58 р.
26 039010102100 Патрубок рукава вход/выход 103 р.
27 039010102200 Гайка фланца 344 р.
28 039010101600 Клапан насоса 377 р.
29 039010101700 Фланец помпы входной 474 р.
30 039010102300 Фильтр всасывающий
31 039010130000 Хомут фильтра
32 0511050801201 Болт М8х12
33 02020000101 Кронштейн рукоятки
34 0512040800001 Гайка М8
35 032020010001 Поддон
36 029910100600 Амортизатор
37 029910300801 Виброизолятор помпы 92 р.
38 511050802501 Болт М8х25
39 029050100701 Рукоятка
40 513040800000 Шайба 8
41 039010100000 Корпус помпы в сборе 6.837 р.
42 012010002900 Панель 96 р.
43 029029900303 Выключатель зажигания 73 р.
Найдено товаров: 43
1
▲ Наверх
0
8 (925) 663-83-63

Call-центр

пн-вс: 10:00-19:00

НАЙТИ ПО МОДЕЛИ
Введите номер заказа
Введите номер своего заказа, что бы узнать его текущий статус.
Что бы получить доступ к расширенным функциям, пройдите не сложную регистрацию. Зарегистрироваться